| |
Каталог › Трансформаторы › Шинные трансформаторы тока ТШЛ-0,66, ТШЛ-0,66-1 и ТШЛ-0,66-2
Шинные трансформаторы тока ТШЛ-0,66, ТШЛ-0,66-1 и ТШЛ-0,66-2ОГГ.671 231.053ТУ
Назначение:
Трансформаторы тока предназначены для встраивания в комплектные трансформаторные подстанции и служат для передачи сигнала измерительной информации измерительным приборам, устройствам защиты и управления в установках переменного тока частоты 50 или 60 Гц. Трансформаторы для дифференциальной защиты поставляются по специальному заказу.
Трансформаторы изготавливаются в исполнении "У" или "Т" категории размещения 3 по ГОСТ 15150 и предназначены для работы в следующих условиях:
- высота над уровнем моря не более 1000 м;
- температура окружающей среды при эксплуатации - от минус 45°C до плюс 70°C для исполнения "У3" и от минус 10°C до плюс 70°C для исполнения "Т3".
- окружающая среда невзрывоопасная, не содержащая пыли, химически активных газов и паров в концентрациях, разрушающих покрытия металлов и изоляцию;
- рабочее положение - любое.
Трансформаторы тока ТШЛ-0,66 комплектуются защитными прозрачными крышечками для раздельного пломбирования вторичных выводов (образец пломбирования).
Таблица 1. Технические данные.
| Название параметра |
Норма |
| Номинальное напряжение, кВ |
0,66 |
| Номинальный первичный ток, А |
2000, 3000, 4000, 5000 |
| Наибольший рабочий первичный ток, А |
2000, 3200, 4000, 5000 |
| Номинальный вторичный ток, А |
1 или 5 |
| Номинальная частота, Гц |
50 или 60 |
| Класс точности |
0,5 S; 0,5; 10P |
| Номинальная вторичная нагрузка при cos j = 0,8, В•А |
15 |
Кратность односекундного тока термической стойкости для первичных токов:
2000 A
3000 A
4000 A, 5000 А |
60
40
40 |
Номинальная предельная кратность:
- для трансформаторов на 2000А, 3000 А при междуфазном расстоянии 140 мм
- для трансформаторов на 4000А, 5000 А при междуфазном расстоянии 140 мм
- для трансформаторов на 4000А, 5000 А при междуфазном расстоянии 750мм |
8
4
8 |
Примечание:
Испытательное одноминутное напряжение промышленной частоты вторичной обмотки 3 кВ для исполнения «У3» и 3,3 кВ для «Т3».
Общий вид трансформатора тока ТШЛ-0,66 (чертеж)

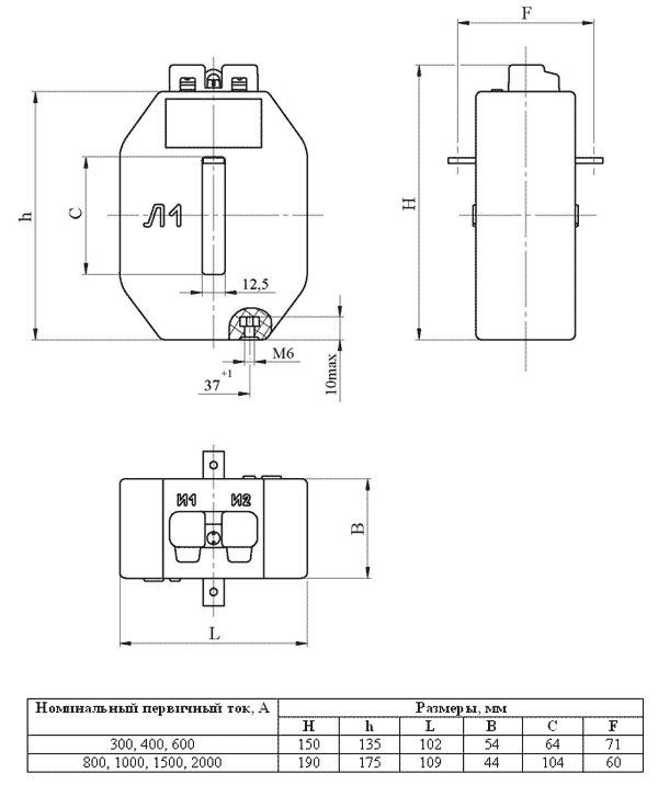
Шинные трансформаторы тока ТШЛ-0,66-II
Назначение:
Трансформатор тока ТШЛ-0,66-2 служит для передачи сигнала измерительной информации измерительным приборам или устройствам защиты и управления. Первичной обмоткой трансформатора служит шина распределительного устройства, пропускаемая через окно трансформатора. Выводы вторичной обмотки расположены на корпусе трансформатора. Обозначения первичной и вторичной обмотки находятся на трансформаторе. Трансформатор имеет один коэффициент трансформации и одну вторичную обмотку для измерений. Выводы вторичной обмотки закрываются прозрачной крышкой с возможностью пломбирования. Трансформатор крепится на шине с помощью планки с прижимными винтами. Климатическое исполнение У2 и Т2
Таблица 1. Технические данные.
| Наименование |
Значение |
| Номинальное напряжение, кВ |
0,66 |
| Номинальный первичный ток, А |
300, 400, 600, 800, 1000, 1500, 2000 |
| Номинальный вторичный ток, А |
5 |
| Номинальная частота, Гц |
50, 60 |
| Номинальная вторичная нагрузка с коэффициентом мощности 0,8 ВА |
5, 10 |
| Номинальный коэффициент безопасности приборов |
8, 9, 8, 4, 5, 6, 6 |
| Класс точности |
0,5; 0,5S; 0,2S |
| Масса трансформатора, кг |
1,73 (до 600 А); 1,76 (800-2000 А) |
Общий вид трансформатора тока ТШЛ-0,66-2(чертеж)

- Трансформаторы ОСМ
- Незаземляемые трансформаторы напряжения НОЛ
- Незаземляемые трансформаторы напряжения НОЛ.08
- Заземляемые трансформаторы напряжения 3НОЛ.06
- Заземляемые трансформаторы напряжения ЗНОЛП-6, ЗНОЛП-10
- Трехфазная антирезонансная группа трансформаторов напряжения ЗхЗНОЛ.06-6 , ЗхЗНОЛ.06-10 И 3xЗНОЛП
- Заземляемые трансформаторы напряжения ЗНОЛЭ-35
- Заземляемые трансформаторы напряжения ЗНОЛ-35
- Незаземляемые трансформаторы напряжения НОЛ.12
- Незаземляемые трансформаторы напряжения НОЛП-6, НОЛП-10
- Заземляемые трансформаторы напряжения ЗНОЛ
- Незаземляемые трансформаторы напряжения НОЛ
- Трансформатор напряжения ЗНОЛПМ
- Шинные трансформаторы тока ТНШ-0,66
- Шинные трансформаторы тока ТНШЛ-0,66
- Шинные трансформаторы тока ТШЛ-0,66, ТШЛ-0,66-1 и ТШЛ-0,66-2
- Опорные трансформаторы тока ТОЛК-6
- Опорные трансформаторы тока ТОЛК-10 и ТОЛК-10-I
- Опорные трансформаторы тока ТОЛ-10
- Опорные трансформаторы тока ТОЛ-10-1
- Шинные трансформаторы тока ТШЛ-10
- Шинные трансформаторы тока ТЛШ-10
- Проходные трансформаторы тока ТПОЛ-10
- Опорно-проходной трансформатор тока ТПЛ-10-М
- Опорные-проходные трансформаторы тока ТЛ-10
- Опорные-проходные трансформаторы тока ТПЛК-10
- Шинные трансформаторы тока ТШЛ-20-I
- Проходные трансформаторы тока ТПЛ-20 и ТПЛ-35
- Опорные трансформаторы тока ТЛК-35
- Опорные трансформаторы тока ТОЛ-35 III-II и ТОЛ-35 III-III
- Опорные трансформаторы тока TОП-0,66 Шинные трансформаторы тока ТШП-0,66
- Опорный трансформатор тока с тремя вторичными обмотками ТОЛ-10-I-7(8)
- Опорный однообмоточный трансформатор тока ТОЛ-35 III-IV
- Опорные трансформаторы тока ТОЛ-110 III
- Трансформатор тока ТШЛ-0,66-II
- Трансформаторы тока переключаемые по вторичной стороне
- Трансформатор тока ТОЛ-10-IМ-2 (-3;-4)
- Трансформатор тока ТОЛ-10 III УХЛ1 наружной установки
- Проходные трансформаторы ТПОЛ-10М
- Трансформаторы тока ТЗЛМ-1
- Трансформаторы тока ТЗЛ-1 О5.1
- Трансформаторы тока ТЗРЛ
- Трансформаторы тока ТЗЛЭ-125
- Трансформаторы тока ТЗЗ-2 и ТЗЗ-4
- Трансформаторы тока ТЗЛ-200
- Трансформаторы тока ТЗЛК 05.1
- Трансформатор тока ТЗЛМ-600
- Встроенный трансформатор тока ТВ
- Трансформаторы ОЛС
- Силовые трансформаторы ОЛ
- Трансформатор разделительный ОЛ-1/10 УЗ
- Трансформаторы ОЛЗ-1,25/27,5
- Трансформатор разделительный ОЛ-0,3/35
- Трансформатор ОЛСП со встроенным защитным предохранительным устройством
- Сухой силовой трансформатор с литой изоляцией ТЛС
- Трансформаторы ОЛС мощностью от 2,5 до 4 кВА класса напряжения 6 и 10 кВ
- Трансформаторы ОЛ мощностью от 2.5 до 4 кВА класса напряжения 6 и 10 кВ
- Трансформаторы напряжения НЛЛ-3, НЛЛ-6, НЛЛ-10
- Трансформаторы тока ТЛЛ-35
- Трансформаторы напряжения НЛЛ-15, НЛЛ-35
- Трансформатор нагрузочный ИЛТ-10
- Силовые трансформаторы ИЛН-15 и ИЛН-35
- Лабораторный трансформатор напряжения НЛЛ-35-6
- Трансформатор тока ТЛЛ-0,66
|
|